- Project Runeberg -  Radio-Amatören / 1924 / N:r 2, 1 maj /
53

(1924-1928)
Table of Contents / Innehåll | << Previous | Next >>
  Project Runeberg | Catalog | Recent Changes | Donate | Comments? |   

Full resolution (TIFF) - On this page / på denna sida - Reflexkoppling möjliggör transportabel mottagare

scanned image

<< prev. page << föreg. sida <<     >> nästa sida >> next page >>


Below is the raw OCR text from the above scanned image. Do you see an error? Proofread the page now!
Här nedan syns maskintolkade texten från faksimilbilden ovan. Ser du något fel? Korrekturläs sidan nu!

This page has been proofread at least once. (diff) (history)
Denna sida har korrekturlästs minst en gång. (skillnad) (historik)

2) strömbesparande audionrör;

3) hopfällbar, liten ramantenn.

Reflexkopplingen erfordrar för en
viss förstärkning ett mindre antal rör än de flesta
andra kopplingssätt, varigenom vikt och volym på
apparaten bli små. Tack vare lågtemperatur-rören
äro torrbatterier, inbyggda i mottagarelådan,
tillräckliga och accumulator obehövlig. Den
hopfällbara ramantennen slutligen gör öppen antenn
och jordledning obehövliga.

Med reflexkoppling menas att ett rör samtidigt
får tjänstgöra som högfrekvens- och som
lågfrekvensförstärkare. Principen framgår enklast
av fig. 3. Till rörets galler finnes ansluten
dels en avstämd högfrekvens-krets och dels en
lågfrekvenstransformator, vilken senare på grund
av sitt stora motstånd mot högfrekventa strömmar är
shuntad med en kondensator, som låter högfrekvensen
passera.

Röret verkar först såsom högfrekvensförstärkare. Efter
denna förstärkning övergår anodkretsens
högfrekventa ström genom den där befintliga
högfrekvenstransformatorn till en mellankrets och
likriktas medelst en kristalldetektor (en rördetektor
kan även förekomma).

Den så erhållna lågfrekventa strömmen överföres
tillbaka till gallret genom lågfrekvenstransformatorn
och förstärkes en gång till, denna gång lågfrekvent,
varefter den passerar telefonen.

Den dubbla förstärkningen gör det möjligt att med
ett enda rör använda högtalare för lokala stationer.

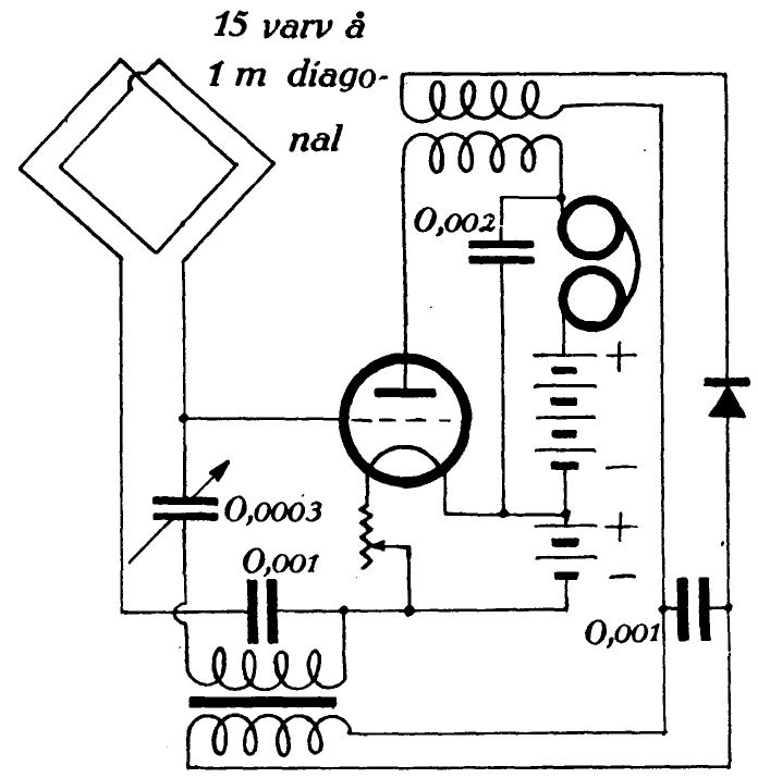
Fig. 3. Enkel reflexmottagare med<bkristalldetektor och ramantenn. Med ett rör<berhålles här ett steg högfrekvensförstärkning<boch ett steg lågfrekvensförstärkning.
Fig. 3. Enkel reflexmottagare med

kristalldetektor och ramantenn. Med ett rör

erhålles här ett steg högfrekvensförstärkning

och ett steg lågfrekvensförstärkning.


Reflexkopplingen kan även kombineras med
återkoppling. Emellertid
blir mottagningen härigenom lätt ostadig och
bullersam, varför återkoppling icke kan rekommenderas
annat än för vana experimentatörer.

Fig. 2 visar den transportabla reflexmottagaren
uppställd, färdig att användas. Den har 4 rör och
en kristalldetektor. Det första röret verkar endast
som högfrekvensförstärkare och det sista endast som
lågfrekvensförstärkare. De två mellersta tjänstgöra
både som det ena och det andra. Diagrammet i fig. 4
ger en föreställning om kopplingssättet. Apparaten
är såsom synes ekvivalent med en 7-rörsmottagare utan
återkoppling.

Mottagningen med denna apparat är anmärkningsvärt
god trots ramens litenhet. Man kan emellertid även
använda en vanlig utomhusantenn och jordledning,
varvid signalstyrkan högst betydligt ökas.

Vinsten med öppen antenn är dock ringa, emedan de
atmosfäriska

<< prev. page << föreg. sida <<     >> nästa sida >> next page >>


Project Runeberg, Sat Dec 9 00:56:49 2023 (aronsson) (diff) (history) (download) << Previous Next >>
https://runeberg.org/radioama/1924/2/0021.html

Valid HTML 4.0! All our files are DRM-free